tbi滚珠丝杆SFV3204、SFV3205、SFV3206、SFV3208、SFV3210、SFV3220螺母尺寸图示:






tbi滚珠丝杆螺母SFVR03204D1D,SFNIR03204D1N,法兰双切边或者全圆,丝杆直径32,导程04,珠圈数4.8*1,珠直径2.381,动额定负荷1517,静额定负荷5806,刚性62。
tbi滚珠丝杆螺母SFVR03205D1D,SFNIR03205D1N,法兰双切边或者全圆,丝杆直径32,导程05,珠圈数4.8*1,珠直径3.175,动额定负荷2249,静额定负荷7612,刚性66。
tbi滚珠丝杆螺母SFVR03206D1D,SFNIR03206D1N,法兰双切边或者全圆,丝杆直径32,导程06,珠圈数4.8*1,珠直径3.969,动额定负荷3079,静额定负荷9575,刚性70。
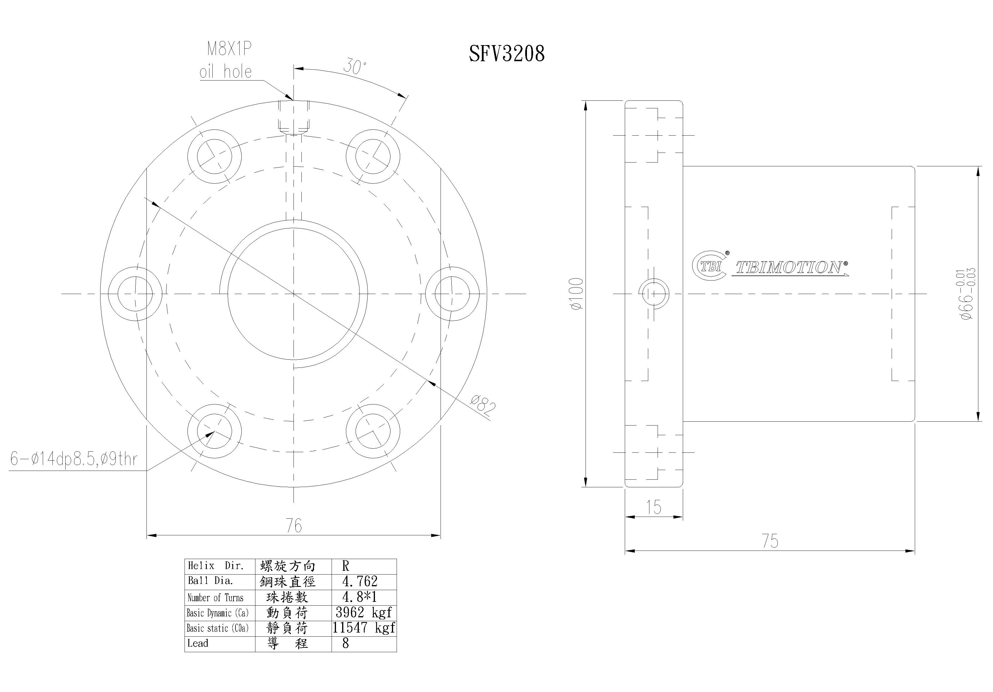
tbi滚珠丝杆螺母SFVR03208D1D,SFNIR03208D1N,法兰双切边或者全圆,丝杆直径32,导程08,珠圈数4.8*1,珠直径4.762,动额定负荷3962,静额定负荷11547,刚性74。
tbi滚珠丝杆螺母SFVR03210D1D,SFNIR03210D1N,法兰双切边或者全圆,丝杆直径32,导程10,珠圈数4.8*1,珠直径6.35,动额定负荷5620,静额定负荷14649,刚性76。
tbi滚珠丝杆螺母SFVR03220B1D,SFNIR03220B1N,法兰双切边或者全圆,丝杆直径32,导程20,珠圈数2.8*1,珠直径6.35,动额定负荷3509,静额定负荷8644,刚性46。
