台湾上银滚珠丝杆
4R15-20K2-FSC-0.05
4R15-20-3000-3000-0.05


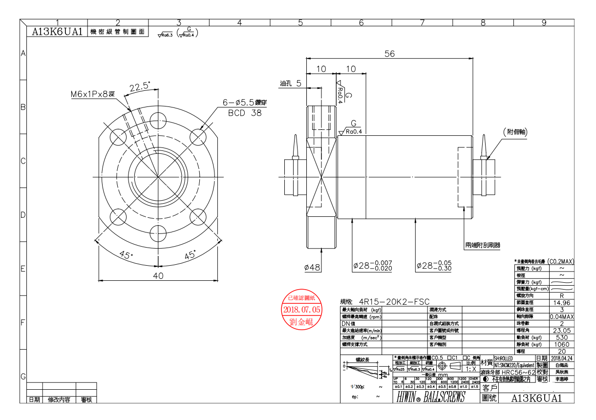
台湾上银滚珠丝杆4R15-20K2-FSC-0.05,上银FSC系列静音型滚珠丝杆,丝杆直径15,导程20,丝杆总长3000MM,轧制丝杆C7级精度,重复定位精度0.05,螺母总长56,BCD38,珠径3.0,丝杆动负荷530KGF,静负荷1060KGF.
N
新闻中心ews Center台湾上银滚珠丝杆
4R15-20K2-FSC-0.05
4R15-20-3000-3000-0.05


台湾上银滚珠丝杆4R15-20K2-FSC-0.05,上银FSC系列静音型滚珠丝杆,丝杆直径15,导程20,丝杆总长3000MM,轧制丝杆C7级精度,重复定位精度0.05,螺母总长56,BCD38,珠径3.0,丝杆动负荷530KGF,静负荷1060KGF.